SH-H4 BT4.0 CC2564
SH-H4 BT4.0 CC2564
SH-H4 BT4.0 CC2564
SH-H4 BT4.0 CC2564
SH-H4 BT4.0 CC2564
SH-H4 BT4.0 CC2564

SH-H4 Bluetooth 4.0 CC2564

Модуль беспроводной связи Bluetooth

00308
Нет в наличии
16,00 €

(16,00 € gb. / шт. )


 

Overview  

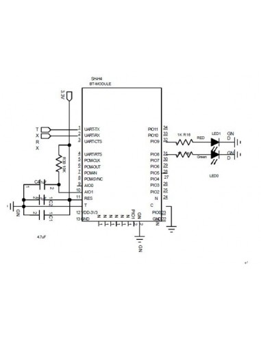
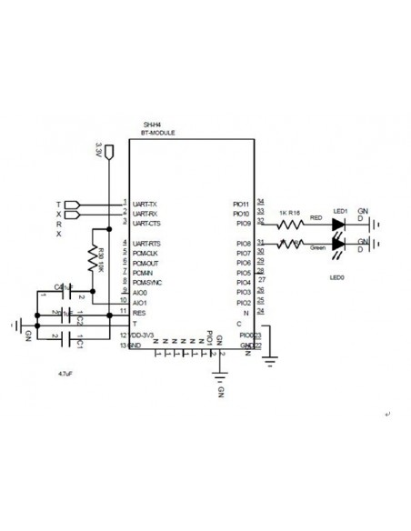
SH-H4 is a fully integrated Bluetooth module that complies with Bluetooth 4.0 dual mode protocols(BR/EDR/BLE).It uses TI CC2564 bluetooth chip. It provides several interfaces such as UART, I2C, PCM, AIO, PIO, etc., which can  customized different applications.SH-H4 supports SPP, BLE profiles. It integrates MCU, Baseband controller, RF, etc. in a small package, so the designers can have better flexibilities for the product shapes.SH-H4 can be controlled by UART port or other interfaces. Please refer to software design guide for the interfacing protocol.

Feature

  • Fully qualified Bluetooth 4.0/3.0/2.1/2.0/1.2/1.1
  • Postage stamp sized form factor, 13mm x 27mm x 2mm
  • Low power
  • Class 1.5 support(high output power)
  • The default UART Baud rate is 115.2Kbps and can support from 1200bps up to 921Kbps, UART, I2C , PCM data connection interfaces.
  • Embedded Bluetooth stack profiles support(requires no host stack): SPP, HFP/HSP, A2DP, AVRCP, MAP, and all BLE protocols.

  • VCC:  input power supply 3.3~6V, Prohibit more than 7V
  • GND: Ground
  • TX:  transport
  • RX:  receive  
  • State: when bluetooth is connected , output "High level", "no conntected"  output "low level"
  • en:when module is connected, give a high level to "EN",the module will disconnected.

AT Command

 

The way to the AT command mode: supply power to the module, it will enter to the AT mode if it needn’t pair. The interval of command is about 1 second.


Default parameter: Baud rate:
9600N81  

Format:
AT+Command[=Parameter]<CR><LF>


Description:
Command always start with AT+ and end with <CR><LF>.
<CR> means "carriage return" and corresponds to the hexadecimal value 0x0D.  <LF> means "line feed" and corresponds to the hexadecimal value 0x0A.
Parameter between [ ] may not exist.
Parameter always start with =if exist.


Example :
AT+BDNAME=? <CR><LF> :Query current device's name.
AT+BDPIN=8888 <CR><LF> :Modify current device's pin code to '8888'.

 

Command 1 ,

Testing Connection Commands

Command

Answer

Parameter

AT

OK

None

Command 2 ,

Query/Set —— Bluetooth Name


Command

Answer

Parameter

Query:AT+BDNAME=?

+BDNAME=[para1]

Para1:the name of device
Default:SH-H4

Set:AT+BDNAME= [para1]

+BDNAME=[para1]

Example: Send: AT+BDNAME=?
Return: +BDNAME=SH-H4
Send: AT+BDNAME=ABC
Return : +BDNAME=ABC
Command 3,   Query  module  bluetooth  address


Command

Answer

Parameter

AT+BDADDR=?

+BDADDR=[MAC]

MAC:
Bluetooth address

Command 4 ,

Query/Set —— Baud Rate


Command

Answer

Parameter

Query:AT+BDBAUD=?

+BDBAUD=[para1]

 

Para1:
9600
38400
115200

Set:AT+BDBAUD =[para1]

+BDBAUD=[para1]

Query device baudrate 
Send:AT+BDBAUD=?
Return:  +BDBAUD=9600
Modify device baudrate 
Send:AT+BDBAUD=115200
Return: +BDBAUD=115200

Command 5 ,

Query/Set ——PIN Code


Command

Answer

Parameter

Query:AT+BDPIN=?

+BDPIN=[para1]

Para1 is PIN Code:
Default:0000

Set:AT+BDPIN= [para1]

+BDPIN=[para1]

e.g.
Query Pin Code
Send: AT+BDPIN=?
Return: +BDPIN=0000
Setup Pin Code 1234
Send: AT+BDPIN=1234
Return : +BDPIN=1234

Тип:
Модуль беспроводной связи Bluetooth
Микроконтроллер:
TI CC2564
Размер:
13mm x 27mm x 2mm
Протокол:
BLE and SPP
Возможности:
Fully qualified Bluetooth 4.0/3.0/2.1/2.0/1.2/1.1
No reviews

16 других товаров в той же категории:

Просмотренные продукты

Товар добавлен в список желаний
Товар добавлен для сравнения.

На нашем интернет-сайте используются файлы куки. Файлы куки помогают обеспечивать надлежащее функционирование интернет-страницы и ее совершенствование, поэтому необходимые файлы куки (технические, функциональные и аналитические) устанавливаются автоматически. Чтобы индивидуализировать ваш опыт поиска в интернете и предоставлять предложения, которые будут актуальны именно для Вас, на интернет-странице также используются целевые файлы куки. Нажатием клавиши «соглашаюсь» Вы соглашаетесь с установкой и использованием целевых файлов куки. Вы сможете отозвать свое согласие в любое время, изменив установки своего интернет-браузера или стерев записанные файлы куки. Более подробная информация предоставляется - в политике файлов куки